普发真空 ATH 500M 系列涡轮分子泵
| 联系人: | 黄先生 |
|---|---|
| 手机: | 15880223078 |
| 邮箱: | mike@xiamenbest.com |
| 传真: | 0592-3778298 |
| 服务热线:: | 0592-6800154 |
| QQ:: | 416643690/2440274706 |
| 留言咨询 更多信息 | |
| 分享: |
|
摘要
普发真空 ATH 500M 系列涡轮分子泵,搭载 5 轴磁悬浮轴承与阻力级设计,氮气抽速最高 550L/s。集成驱动电子装置,结构紧凑,支持任意方位安装。可选水冷 / 风冷与远程控制,MT 型适配腐蚀工况。符合 CE 与 RoHS,无油洁净、低振低噪,适配半导体、镀膜及科研超高真空场景。
产品介绍
普发真空(Pfeiffer Vacuum)ATH 500M 系列涡轮分子泵,属于高真空获得设备。
它采用涡轮分子泵技术,可在高真空环境下实现抽气,广泛应用于半导体制造、真空镀膜、分析仪器等对真空度要求极高的领域,具备高抽速、低振动、长寿命等特点,是高真空系统的核心部件之一。

涡轮分子泵的抽速 - 压力特性曲线,属于高真空设备的性能图表。
该曲线展示了涡轮分子泵在不同气体(N₂氮气、He 氦气、H₂氢气、Ar 氩气)下,抽气速率(S,单位:l/s)随入口压力(p,单位:hPa)的变化关系,反映了泵在不同工况下的抽气性能,是高真空设备选型和性能评估的重要参考图表。

真空设备的流量 - 入口压力特性曲线,属于真空系统性能图表。
该曲线展示了某真空设备(如真空泵、真空阀等)在不同入口压力(单位:mbar)下的气体流量(单位:sccm)变化关系,反映了设备在不同压力工况下的流量性能,是真空设备选型、性能评估及系统匹配的重要参考图表。

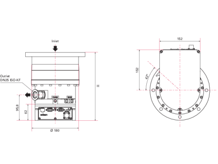
真空涡轮分子泵的尺寸图纸,属于高真空设备的机械设计图纸。
图纸从正视图和俯视图标注了泵体的关键尺寸参数,包括入口(Inlet)、出口接口规格(DN25 ISO-KF)、外形轮廓尺寸(如直径 Ø180 等),用于设备的安装适配、空间布局规划以及技术参数确认,是涡轮分子泵工程应用和机械设计的重要技术文档。



带阻力级 5 轴磁悬浮涡轮泵,氮气抽速高达 350l/s,标配 DN100 CF-F 连接法兰。搭载紧凑型集成驱动电子装置,结构精简性能强劲。支持任意方位安装,具备远程控制、水冷不加热特性。整机符合 CE 及 RoHS 标准,运行低振低耗、稳定耐用,适配超高真空科研、半导体、精密仪器等真空工况。
联系我们
黄先生15880223078微信同号
QQ:416643690
邮箱:mike@xiamenbest.com
公司网址:www. xmtaixing.com
欢迎随时联系我们,我们将竭诚为您服务!
厦门太星机电有限公司,您值得信赖的真空设备解决方案专家!
产品展示
- 低温真空泵
- 不锈钢真空箱
- 螺杆真空泵
- 扩散泵
- 单级真空泵
- 双级真空泵
- 氦质谱检漏仪
- 水环式真空泵
- 分子泵
- 真空泵叶片
- 真空泵滤芯
- 真空泵油
- 里其乐真空泵维修
- 爱发科真空泵维修
- 莱宝真空泵维修
- 贝克真空泵维修
- 普旭真空维修
- 意大利PVR真空泵维修
- 爱德华真空泵维修
- 安捷伦真空泵维修
- 中科科仪分子泵维修
- 进口分子泵维修
- 镀膜机搬迁
- 冷冻式干燥机维修
- 滑阀式真空泵维修
- 隔膜泵维修
- 普发真空泵维修
- 电机维修
- 真空阀门
- 鼓风机
- 真空管道
- 岛津分子泵非标维修配件
- 电离质谱仪
- 日本卡西亚玛真空泵
- 真空泵配件
- 国产真空泵维修保养
- 上海久信JOYSUN真空泵维修
- 英福康氦气检漏仪维修保养
- 干式无油抽气泵维修
- 泵组维修
- 卓捷直联旋片式真空维修
- 太星单级旋片真空泵维修
- 上海万经真空泵维修
- 荏原水冷干式真空泵维修
- 爱德华配件
- 里奇乐配件
- 空压机
- 真空泵系统
- 3D打印服务
- 推荐产品
- 罗茨泵
- 涡旋泵
产品展示
- 低温真空泵
- 不锈钢真空箱
- 螺杆真空泵
- 扩散泵
- 单级真空泵
- 双级真空泵
- 氦质谱检漏仪
- 水环式真空泵
- 分子泵
- 真空泵叶片
- 真空泵滤芯
- 真空泵油
- 里其乐真空泵维修
- 爱发科真空泵维修
- 莱宝真空泵维修
- 贝克真空泵维修
- 普旭真空维修
- 意大利PVR真空泵维修
- 爱德华真空泵维修
- 安捷伦真空泵维修
- 中科科仪分子泵维修
- 进口分子泵维修
- 镀膜机搬迁
- 冷冻式干燥机维修
- 滑阀式真空泵维修
- 隔膜泵维修
- 普发真空泵维修
- 电机维修
- 真空阀门
- 鼓风机
- 真空管道
- 岛津分子泵非标维修配件
- 电离质谱仪
- 日本卡西亚玛真空泵
- 真空泵配件
- 国产真空泵维修保养
- 上海久信JOYSUN真空泵维修
- 英福康氦气检漏仪维修保养
- 干式无油抽气泵维修
- 泵组维修
- 卓捷直联旋片式真空维修
- 太星单级旋片真空泵维修
- 上海万经真空泵维修
- 荏原水冷干式真空泵维修
- 爱德华配件
- 里奇乐配件
- 空压机
- 真空泵系统
- 3D打印服务
- 推荐产品
- 罗茨泵
- 涡旋泵
