普发分子泵 HiPace10 厂家直供
| 联系人: | 黄先生 |
|---|---|
| 手机: | 15880223078 |
| 邮箱: | mike@xiamenbest.com |
| 传真: | 0592-3778298 |
| 服务热线:: | 0592-6800154 |
| QQ:: | 416643690/2440274706 |
| 留言咨询 更多信息 立刻购买 | |
| 分享: |
|
摘要
德国普发 HiPace10 涡轮分子泵,紧凑轻便仅 1.8kg,IP54 防护适配工业环境。氮气 10l/s 高抽速搭配 < 5×10⁻⁵mbar 极限真空,0.9 分钟快速启动。复合轴承设计寿命长久,支持任意角度安装与现场维护。通过 SEMI S2 及 UL 认证,适配多气体工况,是质谱分析、半导体制造、科研实验的可靠真空解决方案。
产品介绍
普发分子泵 HiPace10
普发真空(Pfeiffer Vacuum)生产的 HiPace 系列涡轮分子泵 。
HiPace 系列涡轮分子泵常用于需要高真空或超高真空环境的场合,像半导体制造领域,用于芯片制造过程中的刻蚀、镀膜等环节;在科研方面,可用于材料科学研究、表面分析等实验 。其通过高速旋转的叶片将气体分子驱向排气口,实现抽气,以达到系统所需的真空度。
德国普发 HiPace10 涡轮分子泵,凭借紧凑设计(仅 1.8kg)与 IP54 防护,适配多场景安装。氮气 10l/s 高抽速 +<5×10⁻⁵mbar 极限真空,0.9 分钟快速启动,效率出众。复合轴承加持延长使用寿命,支持任意角度安装与便捷维护,通过 SEMI S2 等,为质谱分析、半导体制造、科研实验提供稳定可靠的高真空解决方案。
普发 HiPace10 涡轮分子泵,主打紧凑与广泛适配性。机身轻便、防护性强,具备高抽速、快启动优势,复合轴承设计兼顾长寿命与易维护性,通过多项。适配质谱分析、半导体制造、科研实验等多场景,为精密真空作业提供稳定可靠的解决方案,兼顾性能与实用性。
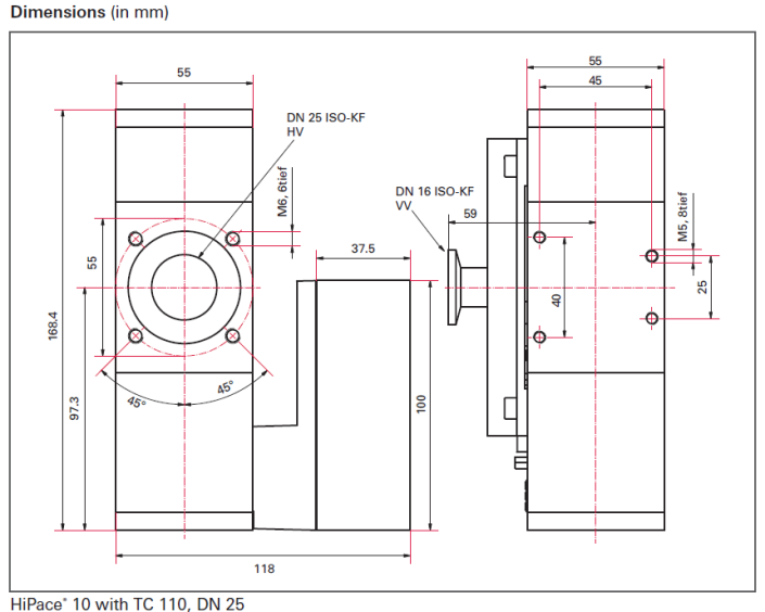
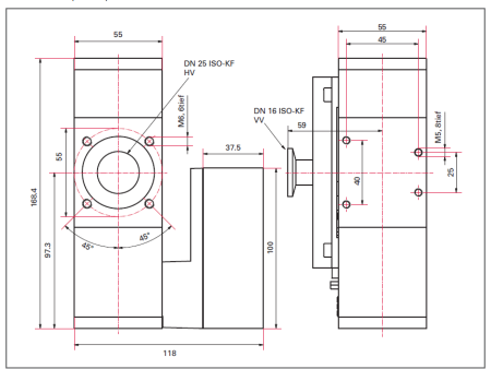
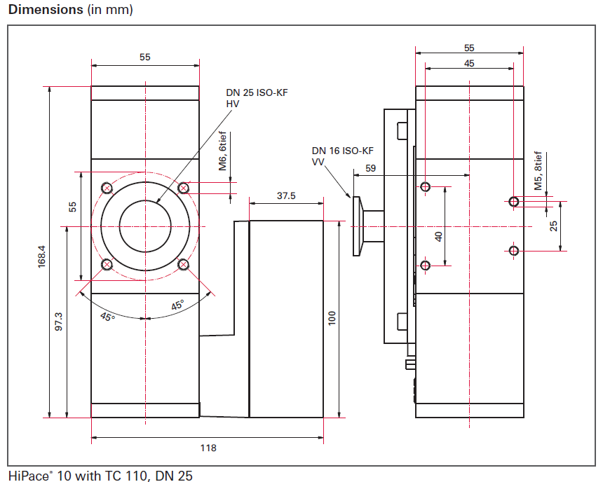
抽速和尺寸图

普发真空(Pfeiffer Vacuum)HiPace® 10 涡轮分子泵搭配 TC 110 控制器、DN 25 接口的尺寸图纸。HiPace 系列涡轮分子泵常用于需要高真空环境的场景,如半导体制造、科研实验等,通过不同的接口和控制器配置,满足各类真空系统的连接与控制需求。

联系我们

黄先生15880223078微信同号
QQ:416643690
邮箱:mike@xiamenbest.com
公司网址:www. xmtaixing.com
欢迎随时联系我们,我们将竭诚为您服务!
厦门太星机电有限公司,您值得信赖的真空设备解决方案专家!
产品展示
- 低温真空泵
- 不锈钢真空箱
- 螺杆真空泵
- 扩散泵
- 单级真空泵
- 双级真空泵
- 氦质谱检漏仪
- 水环式真空泵
- 分子泵
- 真空泵叶片
- 真空泵滤芯
- 真空泵油
- 里其乐真空泵维修
- 爱发科真空泵维修
- 莱宝真空泵维修
- 贝克真空泵维修
- 普旭真空维修
- 意大利PVR真空泵维修
- 爱德华真空泵维修
- 安捷伦真空泵维修
- 中科科仪分子泵维修
- 进口分子泵维修
- 镀膜机搬迁
- 冷冻式干燥机维修
- 滑阀式真空泵维修
- 隔膜泵维修
- 普发真空泵维修
- 电机维修
- 真空阀门
- 鼓风机
- 真空管道
- 岛津分子泵非标维修配件
- 电离质谱仪
- 日本卡西亚玛真空泵
- 真空泵配件
- 国产真空泵维修保养
- 上海久信JOYSUN真空泵维修
- 英福康氦气检漏仪维修保养
- 干式无油抽气泵维修
- 泵组维修
- 卓捷直联旋片式真空维修
- 太星单级旋片真空泵维修
- 上海万经真空泵维修
- 荏原水冷干式真空泵维修
- 爱德华配件
- 里奇乐配件
- 空压机
- 真空泵系统
- 3D打印服务
- 推荐产品
- 罗茨泵
- 涡旋泵
产品展示
- 低温真空泵
- 不锈钢真空箱
- 螺杆真空泵
- 扩散泵
- 单级真空泵
- 双级真空泵
- 氦质谱检漏仪
- 水环式真空泵
- 分子泵
- 真空泵叶片
- 真空泵滤芯
- 真空泵油
- 里其乐真空泵维修
- 爱发科真空泵维修
- 莱宝真空泵维修
- 贝克真空泵维修
- 普旭真空维修
- 意大利PVR真空泵维修
- 爱德华真空泵维修
- 安捷伦真空泵维修
- 中科科仪分子泵维修
- 进口分子泵维修
- 镀膜机搬迁
- 冷冻式干燥机维修
- 滑阀式真空泵维修
- 隔膜泵维修
- 普发真空泵维修
- 电机维修
- 真空阀门
- 鼓风机
- 真空管道
- 岛津分子泵非标维修配件
- 电离质谱仪
- 日本卡西亚玛真空泵
- 真空泵配件
- 国产真空泵维修保养
- 上海久信JOYSUN真空泵维修
- 英福康氦气检漏仪维修保养
- 干式无油抽气泵维修
- 泵组维修
- 卓捷直联旋片式真空维修
- 太星单级旋片真空泵维修
- 上海万经真空泵维修
- 荏原水冷干式真空泵维修
- 爱德华配件
- 里奇乐配件
- 空压机
- 真空泵系统
- 3D打印服务
- 推荐产品
- 罗茨泵
- 涡旋泵
