普发分子泵 HiPace300
| 联系人: | 黄先生 |
|---|---|
| 手机: | 15880223078 |
| 邮箱: | mike@xiamenbest.com |
| 传真: | 0592-3778298 |
| 服务热线:: | 0592-6800154 |
| QQ:: | 416643690/2440274706 |
| 留言咨询 更多信息 | |
| 分享: |
|
摘要
德国普发 HiPace300 涡轮分子泵,氮气抽速达 260 L/s,极限压力低至 10⁻¹⁰ hPa,氢气压缩比高达 10⁷,轻松实现超高真空。采用复合轴承技术,保养间隔长达 4 年,支持任意方向安装。间断模式节能 90% 以上,搭配多种法兰接口与远程操控,适配质谱、半导体、加速器等场景,稳定耐用且集成便捷。
产品介绍
普发分子泵 HiPace300
普发真空(Pfeiffer Vacuum)公司生产的真空泵。
普发真空是一家在真空技术领域具有较高知名度的企业,其生产的真空泵 广泛应用于半导体、镀膜、分析仪器、科研等众多需要获得和维持真空环境的行业和场景 。仅根据当前图片信息,难以确定其具体型号 ,如需进一步了解,可查看设备上的更多标识信息或咨询普发真空官方及相关经销商。

一、概述
HiPace® 300 具有 260 l/s 对于 N2 抽吸能力的紧凑、高性能涡轮泵
产品描述
紧凑结构的最高可靠性
运行数据监控形成的最高运行安全性
配有不同驱动电子系统
防护类型 IP54 适合于工业用途
准 S2 和 UL/CSA 认证
集成型驱动电子设备 TC 400
理想适用于极高真空应用
用于在所有情况下的安装
带有集成型水冷系统以保证最大气体流量
通过使用最多 4 个配件实现使用多样性
理想适用于快速循环
广泛的配件扩展使用范围
涡轮分子泵入门套件
易于安装、快速应用和运行
最佳匹配的组件,真正的“即插即用”
二、规格

三、基础套件说明

四、抽气速率图

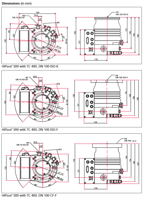
普发真空(Pfeiffer Vacuum)HiPace® 300 分子泵搭配 TC 400 控制器,不同接口(DN 100 ISO - K、DN 100 ISO - F、DN 100 CF - F)的尺寸图纸。HiPace 系列分子泵常用于需要高真空环境的领域,如半导体制造、科学研究等,通过不同的接口类型以适配不同的真空系统连接需求。

联系我们

黄先生15880223078微信同号
QQ:416643690
邮箱:mike@xiamenbest.com
公司网址:www. xmtaixing.com
欢迎随时联系我们,我们将竭诚为您服务!
厦门太星机电有限公司,您值得信赖的真空设备解决方案专家!
产品展示
- 低温真空泵
- 不锈钢真空箱
- 螺杆真空泵
- 扩散泵
- 单级真空泵
- 双级真空泵
- 氦质谱检漏仪
- 水环式真空泵
- 分子泵
- 真空泵叶片
- 真空泵滤芯
- 真空泵油
- 里其乐真空泵维修
- 爱发科真空泵维修
- 莱宝真空泵维修
- 贝克真空泵维修
- 普旭真空维修
- 意大利PVR真空泵维修
- 爱德华真空泵维修
- 安捷伦真空泵维修
- 中科科仪分子泵维修
- 进口分子泵维修
- 镀膜机搬迁
- 冷冻式干燥机维修
- 滑阀式真空泵维修
- 隔膜泵维修
- 普发真空泵维修
- 电机维修
- 油扩散真空泵
- 真空阀门
- 鼓风机
- 真空管道
- 岛津分子泵非标维修配件
- 电离质谱仪
- 日本卡西亚玛真空泵
- 真空泵配件
- 国产真空泵维修保养
- 上海久信JOYSUN真空泵维修
- 英福康氦气检漏仪维修保养
- 干式无油抽气泵维修
- 泵组维修
- 卓捷直联旋片式真空维修
- 太星单级旋片真空泵维修
- 上海万经真空泵维修
- 荏原水冷干式真空泵维修
- 爱德华配件
- 里奇乐配件
- 空压机
- 真空泵系统
- 3D打印服务
- 推荐产品
- 罗茨泵
- 涡旋泵
产品展示
- 低温真空泵
- 不锈钢真空箱
- 螺杆真空泵
- 扩散泵
- 单级真空泵
- 双级真空泵
- 氦质谱检漏仪
- 水环式真空泵
- 分子泵
- 真空泵叶片
- 真空泵滤芯
- 真空泵油
- 里其乐真空泵维修
- 爱发科真空泵维修
- 莱宝真空泵维修
- 贝克真空泵维修
- 普旭真空维修
- 意大利PVR真空泵维修
- 爱德华真空泵维修
- 安捷伦真空泵维修
- 中科科仪分子泵维修
- 进口分子泵维修
- 镀膜机搬迁
- 冷冻式干燥机维修
- 滑阀式真空泵维修
- 隔膜泵维修
- 普发真空泵维修
- 电机维修
- 油扩散真空泵
- 真空阀门
- 鼓风机
- 真空管道
- 岛津分子泵非标维修配件
- 电离质谱仪
- 日本卡西亚玛真空泵
- 真空泵配件
- 国产真空泵维修保养
- 上海久信JOYSUN真空泵维修
- 英福康氦气检漏仪维修保养
- 干式无油抽气泵维修
- 泵组维修
- 卓捷直联旋片式真空维修
- 太星单级旋片真空泵维修
- 上海万经真空泵维修
- 荏原水冷干式真空泵维修
- 爱德华配件
- 里奇乐配件
- 空压机
- 真空泵系统
- 3D打印服务
- 推荐产品
- 罗茨泵
- 涡旋泵
