普发分子泵 HiPace700H
| 联系人: | 黄先生 |
|---|---|
| 手机: | 15880223078 |
| 邮箱: | mike@xiamenbest.com |
| 传真: | 0592-3778298 |
| 服务热线:: | 0592-6800154 |
| QQ:: | 416643690/2440274706 |
| 留言咨询 更多信息 | |
| 分享: |
|
摘要
普发分子泵 HiPace700H 是高真空系统核心设备,N₂抽速达 685L/s,对 He、H₂、Ar 等气体抽排,极限压力低至 7.5×10⁻⁸托。集成驱动控制器,支持强制风冷与水冷,适配 ISO 160-K 入口法兰,广泛应用于半导体制造、科研实验等场景,干泵设计免维护,稳定可靠。
产品介绍
普发分子泵 HiPace700H
普发真空(Pfeiffer Vacuum)生产的 HiPace 系列涡轮分子泵。
HiPace 系列涡轮分子泵凭借其高抽速、能达到高真空和超高真空的性能,广泛应用于半导体制造、分析仪器(如质谱仪 )、科研实验(像材料科学研究、物理实验)、镀膜等领域。通过高速旋转的转子对气体分子施加作用力,使气体分子定向移动,从而实现抽气,满足各类对真空度要求苛刻的应用场景。

HiPace700H 分子泵核心特点
抽速强劲:N₂抽速达 685L/s,对 He、H₂等轻气体抽排效率优异,适配高 / 超高真空系统。
性能稳定:极限压力低至 7.5×10⁻⁸托,耐受大气暴露,长期运行数据波动小。
适配灵活:支持强制风冷 / 水冷双散热,配 ISO 160-K 入口法兰,兼容多种真空系统。
运维便捷:干泵设计无油污染,集成驱动控制器,安装调试简单,维护成本低。
场景广泛:覆盖半导体制造、科研实验、真空镀膜等领域,适配精密真空工艺需求。
HiPace 700H 作为普发真空 HiPace 700 系列的 H 款,核心优势是压缩比更高,尤其适配轻质气体,其详细技术参数整合自官方及授权经销商资料,具体如下:

基础套件说明:

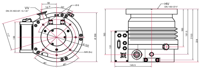
HiPace700H 外形尺寸



控制类配件
TC 400 驱动单元:作为核心控制配件,自带 RS485 通讯接口和远程操作接口,还配有两个配件端口,可控制散热风扇或电磁放空阀,保障泵体稳定运行。
DCU 400 显示单元:常搭配驱动单元使用,附带连接线缆,方便用户直观查看泵的运行参数,实现现场操作与状态监控。
Omnicontrol 400 控制器:可选的台式或机架式配件,既能供电又能通过 RS485 通讯实现泵的监控与控制,适合实验室场景。
散热类配件
水冷套件:部分机型标配,适配设备水冷需求,保障高负荷运行时的温度稳定。
强制风冷套件 / 冷却风扇:可选配件,可满足不同工况下的散热需求,适配无需水冷的简易安装场景。
连接与防护类配件
专用连接线缆:用于驱动单元、显示单元与泵体的连接,是设备通电和信号传输的配件。
入口过滤网:可选配件,能过滤杂质,避免异物进入泵体内部损伤核心部件,延长使用寿命。
电磁放空阀:可与驱动单元的配件端口连接,便于设备停机或维护时的安全放空操作。
运维与辅助类配件
TurboViewer 软件存储棒:配套的软件工具,方便用户进行设备参数调试、运行数据记录与故障排查。
轴承与密封件:作为易损耗配件,包括混合轴承系统相关部件、O 型圈、密封垫等,用于定期维护更换,保障泵的密封性能和运转稳定性。
联系我们

黄先生15880223078微信同号
QQ:416643690
邮箱:mike@xiamenbest.com
公司网址:www. xmtaixing.com
欢迎随时联系我们,我们将竭诚为您服务!
厦门太星机电有限公司,您值得信赖的真空设备解决方案专家!
产品展示
- 低温真空泵
- 不锈钢真空箱
- 螺杆真空泵
- 扩散泵
- 单级真空泵
- 双级真空泵
- 氦质谱检漏仪
- 水环式真空泵
- 分子泵
- 真空泵叶片
- 真空泵滤芯
- 真空泵油
- 里其乐真空泵维修
- 爱发科真空泵维修
- 莱宝真空泵维修
- 贝克真空泵维修
- 普旭真空维修
- 意大利PVR真空泵维修
- 爱德华真空泵维修
- 安捷伦真空泵维修
- 中科科仪分子泵维修
- 进口分子泵维修
- 镀膜机搬迁
- 冷冻式干燥机维修
- 滑阀式真空泵维修
- 隔膜泵维修
- 普发真空泵维修
- 电机维修
- 油扩散真空泵
- 真空阀门
- 鼓风机
- 真空管道
- 岛津分子泵非标维修配件
- 电离质谱仪
- 日本卡西亚玛真空泵
- 真空泵配件
- 国产真空泵维修保养
- 上海久信JOYSUN真空泵维修
- 英福康氦气检漏仪维修保养
- 干式无油抽气泵维修
- 泵组维修
- 卓捷直联旋片式真空维修
- 太星单级旋片真空泵维修
- 上海万经真空泵维修
- 荏原水冷干式真空泵维修
- 爱德华配件
- 里奇乐配件
- 空压机
- 真空泵系统
- 3D打印服务
- 推荐产品
- 罗茨泵
- 涡旋泵
产品展示
- 低温真空泵
- 不锈钢真空箱
- 螺杆真空泵
- 扩散泵
- 单级真空泵
- 双级真空泵
- 氦质谱检漏仪
- 水环式真空泵
- 分子泵
- 真空泵叶片
- 真空泵滤芯
- 真空泵油
- 里其乐真空泵维修
- 爱发科真空泵维修
- 莱宝真空泵维修
- 贝克真空泵维修
- 普旭真空维修
- 意大利PVR真空泵维修
- 爱德华真空泵维修
- 安捷伦真空泵维修
- 中科科仪分子泵维修
- 进口分子泵维修
- 镀膜机搬迁
- 冷冻式干燥机维修
- 滑阀式真空泵维修
- 隔膜泵维修
- 普发真空泵维修
- 电机维修
- 油扩散真空泵
- 真空阀门
- 鼓风机
- 真空管道
- 岛津分子泵非标维修配件
- 电离质谱仪
- 日本卡西亚玛真空泵
- 真空泵配件
- 国产真空泵维修保养
- 上海久信JOYSUN真空泵维修
- 英福康氦气检漏仪维修保养
- 干式无油抽气泵维修
- 泵组维修
- 卓捷直联旋片式真空维修
- 太星单级旋片真空泵维修
- 上海万经真空泵维修
- 荏原水冷干式真空泵维修
- 爱德华配件
- 里奇乐配件
- 空压机
- 真空泵系统
- 3D打印服务
- 推荐产品
- 罗茨泵
- 涡旋泵
