普发真空(Pfeiffer Vacuum)涡轮分子泵
| 联系人: | 黄先生 |
|---|---|
| 手机: | 15880223078 |
| 邮箱: | mike@xiamenbest.com |
| 传真: | 0592-3778298 |
| 服务热线:: | 0592-6800154 |
| QQ:: | 416643690/2440274706 |
| 留言咨询 更多信息 | |
| 分享: |
|
摘要
德国普发真空涡轮分子泵,源自行业原创技术,专为高真空与超高真空场景打造。抽速覆盖广、极限真空优异,采用混合 / 磁悬浮轴承,低振低噪、启动快、寿命长。适配半导体、分析仪器、真空镀膜、科研实验室等,智能控制、耐腐蚀、安装灵活,稳定可靠易维护,是真空系统的核心。
产品介绍
普发真空(Pfeiffer Vacuum)涡轮分子泵,性能,抽速快、真空度高,采用技术保障稳定运行,广泛应用于科研、半导体等领域。线上可通过品牌官方商城等渠道便捷选购。

普发真空涡轮分子泵,是德国原装真空获得设备,主打高真空、超高真空应用。凭借成熟分子泵技术与精密轴承结构,实现抽速强劲、极限真空度高、运行稳定,具备低振动、低噪音、长寿命、抗粉尘、耐腐蚀等优势。广泛用于半导体、科研实验室、镀膜、分析仪器等领域,性能可靠、适配性强,是真空系统的核心部件。
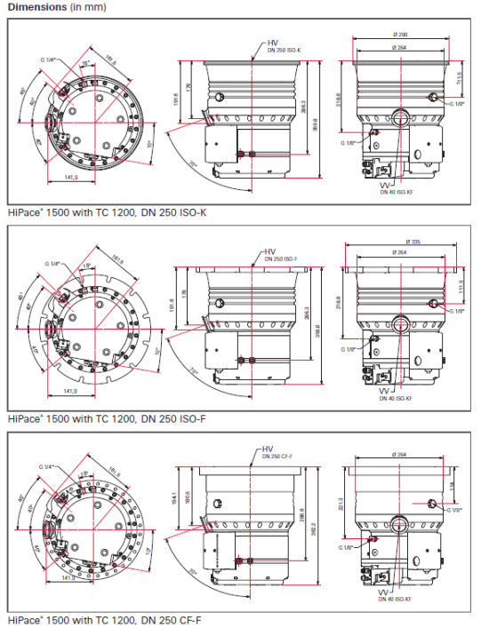
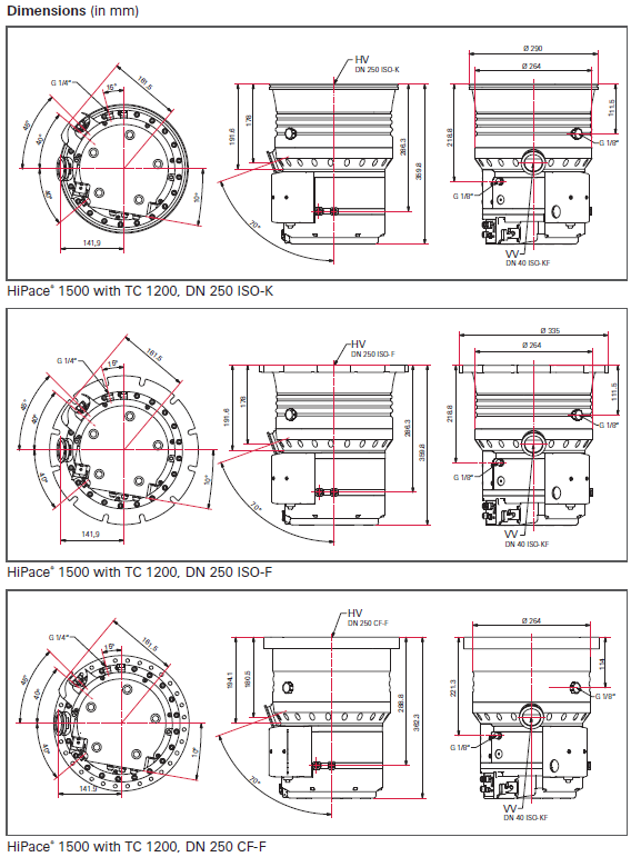
抽速和尺寸图

普发真空(Pfeiffer Vacuum)HiPace 1500 系列涡轮分子泵(分别搭配 TC 1200,接口为 DN 250 ISO - K、DN 250 ISO - F、DN 250 CF - F)的尺寸图。

联系我们

黄先生15880223078微信同号
QQ:416643690
邮箱:mike@xiamenbest.com
公司网址:www. xmtaixing.com
欢迎随时联系我们,我们将竭诚为您服务!
厦门太星机电有限公司,您值得信赖的真空设备解决方案专家!
产品展示
- 低温真空泵
- 不锈钢真空箱
- 螺杆真空泵
- 扩散泵
- 单级真空泵
- 双级真空泵
- 氦质谱检漏仪
- 水环式真空泵
- 分子泵
- 真空泵叶片
- 真空泵滤芯
- 真空泵油
- 里其乐真空泵维修
- 爱发科真空泵维修
- 莱宝真空泵维修
- 贝克真空泵维修
- 普旭真空维修
- 意大利PVR真空泵维修
- 爱德华真空泵维修
- 安捷伦真空泵维修
- 中科科仪分子泵维修
- 进口分子泵维修
- 镀膜机搬迁
- 冷冻式干燥机维修
- 滑阀式真空泵维修
- 隔膜泵维修
- 普发真空泵维修
- 电机维修
- 油扩散真空泵
- 真空阀门
- 鼓风机
- 真空管道
- 岛津分子泵非标维修配件
- 电离质谱仪
- 日本卡西亚玛真空泵
- 真空泵配件
- 国产真空泵维修保养
- 上海久信JOYSUN真空泵维修
- 英福康氦气检漏仪维修保养
- 干式无油抽气泵维修
- 泵组维修
- 卓捷直联旋片式真空维修
- 太星单级旋片真空泵维修
- 上海万经真空泵维修
- 荏原水冷干式真空泵维修
- 爱德华配件
- 里奇乐配件
- 空压机
- 真空泵系统
- 3D打印服务
- 推荐产品
- 罗茨泵
- 涡旋泵
产品展示
- 低温真空泵
- 不锈钢真空箱
- 螺杆真空泵
- 扩散泵
- 单级真空泵
- 双级真空泵
- 氦质谱检漏仪
- 水环式真空泵
- 分子泵
- 真空泵叶片
- 真空泵滤芯
- 真空泵油
- 里其乐真空泵维修
- 爱发科真空泵维修
- 莱宝真空泵维修
- 贝克真空泵维修
- 普旭真空维修
- 意大利PVR真空泵维修
- 爱德华真空泵维修
- 安捷伦真空泵维修
- 中科科仪分子泵维修
- 进口分子泵维修
- 镀膜机搬迁
- 冷冻式干燥机维修
- 滑阀式真空泵维修
- 隔膜泵维修
- 普发真空泵维修
- 电机维修
- 油扩散真空泵
- 真空阀门
- 鼓风机
- 真空管道
- 岛津分子泵非标维修配件
- 电离质谱仪
- 日本卡西亚玛真空泵
- 真空泵配件
- 国产真空泵维修保养
- 上海久信JOYSUN真空泵维修
- 英福康氦气检漏仪维修保养
- 干式无油抽气泵维修
- 泵组维修
- 卓捷直联旋片式真空维修
- 太星单级旋片真空泵维修
- 上海万经真空泵维修
- 荏原水冷干式真空泵维修
- 爱德华配件
- 里奇乐配件
- 空压机
- 真空泵系统
- 3D打印服务
- 推荐产品
- 罗茨泵
- 涡旋泵
