普发真空(Pfeiffer Vacuum)A100L 干式真空泵
| 联系人: | 黄先生 |
|---|---|
| 手机: | 15880223078 |
| 邮箱: | mike@xiamenbest.com |
| 传真: | 0592-3778298 |
| 服务热线:: | 0592-6800154 |
| QQ:: | 416643690/2440274706 |
| 留言咨询 更多信息 | |
| 分享: |
|
摘要
普发真空 A100L 干式多级罗茨真空泵,德国原装,抽速 100m³/h,极限真空达 6.6×10⁻³hPa。无油干式运行,洁净无污、低噪 58dB (A),节水冷却、能耗低、免维护。结构紧凑易集成,配备 RS485/232 通讯接口,稳定耐用。适配半导体、真空镀膜、分析仪器、科研实验室等场景,是清洁真空获得的设备。
产品介绍
普发真空(Pfeiffer Vacuum)A100L 干式真空泵,属于无油多级罗茨泵,具备洁净抽气、低维护的特点,广泛应用于半导体、光伏、工业分析等领域,用于创建和维持真空环境。

普发真空(Pfeiffer Vacuum)A100L 干式真空泵的抽速曲线,用于呈现该泵在 50Hz 工作频率下,抽气速率(纵轴,单位 m³/h)随入口压力(横轴,单位 hPa)的变化规律,是评估其真空性能的关键图表之一。

普发真空(Pfeiffer Vacuum)A100L 干式真空泵的抽气时间 - 入口压力曲线,展示了在 50Hz 工况下,对 1000 升容积的腔室抽气时,入口压力(纵轴,单位 hPa)随时间(横轴,单位 sec)的变化关系,用于体现该泵的抽气效率和真空建立过程。

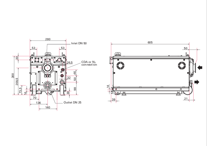
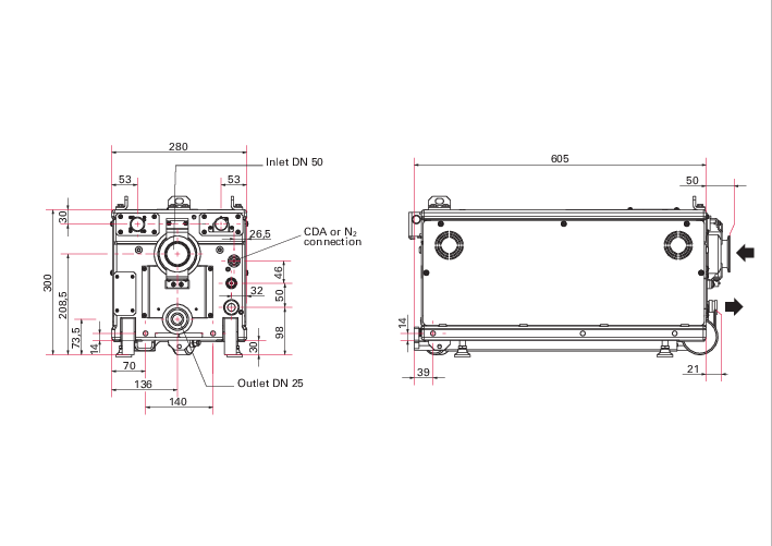
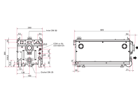
普发真空(Pfeiffer Vacuum)A100L 干式真空泵的尺寸图纸,标注了该泵的进气口(Inlet DN 50)、出气口(Outlet DN 25)、压缩空气或氮气接口(CDA or N₂ connection)等关键部件的位置及整体的长、宽、高尺寸参数,用于指导设备的安装、适配等工程应用场景。


联系我们
黄先生15880223078微信同号
QQ:416643690
邮箱:mike@xiamenbest.com
公司网址:www. xmtaixing.com
欢迎随时联系我们,我们将竭诚为您服务!
厦门太星机电有限公司,您值得信赖的真空设备解决方案专家!
产品展示
- 低温真空泵
- 不锈钢真空箱
- 螺杆真空泵
- 扩散泵
- 单级真空泵
- 双级真空泵
- 氦质谱检漏仪
- 水环式真空泵
- 分子泵
- 真空泵叶片
- 真空泵滤芯
- 真空泵油
- 里其乐真空泵维修
- 爱发科真空泵维修
- 莱宝真空泵维修
- 贝克真空泵维修
- 普旭真空维修
- 意大利PVR真空泵维修
- 爱德华真空泵维修
- 安捷伦真空泵维修
- 中科科仪分子泵维修
- 进口分子泵维修
- 镀膜机搬迁
- 冷冻式干燥机维修
- 滑阀式真空泵维修
- 隔膜泵维修
- 普发真空泵维修
- 电机维修
- 油扩散真空泵
- 真空阀门
- 鼓风机
- 真空管道
- 岛津分子泵非标维修配件
- 电离质谱仪
- 日本卡西亚玛真空泵
- 真空泵配件
- 国产真空泵维修保养
- 上海久信JOYSUN真空泵维修
- 英福康氦气检漏仪维修保养
- 干式无油抽气泵维修
- 泵组维修
- 卓捷直联旋片式真空维修
- 太星单级旋片真空泵维修
- 上海万经真空泵维修
- 荏原水冷干式真空泵维修
- 爱德华配件
- 里奇乐配件
- 空压机
- 真空泵系统
- 3D打印服务
- 推荐产品
- 罗茨泵
- 涡旋泵
产品展示
- 低温真空泵
- 不锈钢真空箱
- 螺杆真空泵
- 扩散泵
- 单级真空泵
- 双级真空泵
- 氦质谱检漏仪
- 水环式真空泵
- 分子泵
- 真空泵叶片
- 真空泵滤芯
- 真空泵油
- 里其乐真空泵维修
- 爱发科真空泵维修
- 莱宝真空泵维修
- 贝克真空泵维修
- 普旭真空维修
- 意大利PVR真空泵维修
- 爱德华真空泵维修
- 安捷伦真空泵维修
- 中科科仪分子泵维修
- 进口分子泵维修
- 镀膜机搬迁
- 冷冻式干燥机维修
- 滑阀式真空泵维修
- 隔膜泵维修
- 普发真空泵维修
- 电机维修
- 油扩散真空泵
- 真空阀门
- 鼓风机
- 真空管道
- 岛津分子泵非标维修配件
- 电离质谱仪
- 日本卡西亚玛真空泵
- 真空泵配件
- 国产真空泵维修保养
- 上海久信JOYSUN真空泵维修
- 英福康氦气检漏仪维修保养
- 干式无油抽气泵维修
- 泵组维修
- 卓捷直联旋片式真空维修
- 太星单级旋片真空泵维修
- 上海万经真空泵维修
- 荏原水冷干式真空泵维修
- 爱德华配件
- 里奇乐配件
- 空压机
- 真空泵系统
- 3D打印服务
- 推荐产品
- 罗茨泵
- 涡旋泵
