真空计,属于真空测量设备
| 联系人: | 黄先生 |
|---|---|
| 手机: | 15880223078 |
| 邮箱: | mike@xiamenbest.com |
| 传真: | 0592-3778298 |
| 服务热线:: | 0592-6800154 |
| QQ:: | 416643690/2440274706 |
| 留言咨询 更多信息 | |
| 分享: |
|
摘要
真空计作为真空测量设备,监测真空系统压力值,覆盖粗真空至高真空量程。测量稳定、响应迅速,信号输出可靠,适配各类真空腔体、泵组及工业设备。结构紧凑、安装简便,抗干扰性强,广泛应用于镀膜、半导体、实验室、冶金等领域,是真空环境控制与工艺保障的核心检测仪器。
产品介绍
真空计,属于真空测量设备,用于检测真空系统内的压强。从外观结构推测,它可能是一款基于特定原理(如热传导、电容式等)的真空测量仪表,适用于工业真空系统、实验室真空装置等场景,可实时监测真空环境的压强状态,保障真空设备的稳定运行。

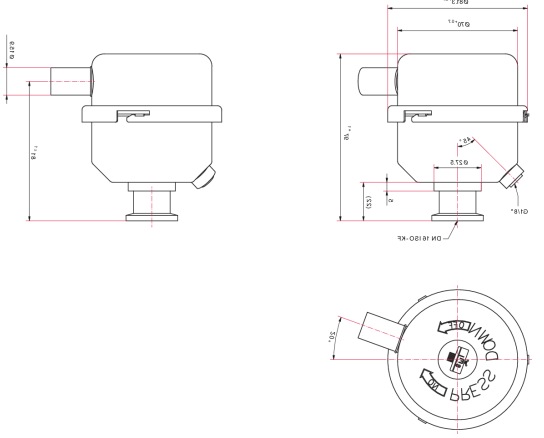
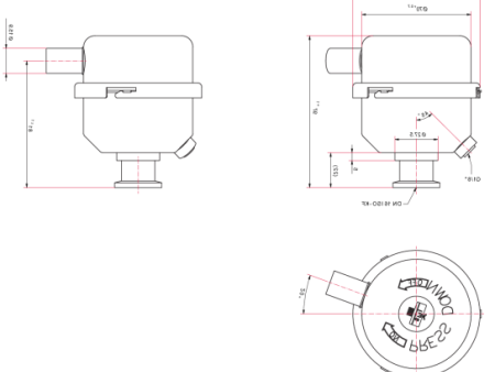
真空计的尺寸图纸,属于真空测量设备的技术图纸类资料。
图纸标注了该真空计的关键尺寸参数(如长、宽、高、接口规格等)以及结构细节,用于指导其安装、集成和空间适配,为用户提供精确的尺寸参考,保障其在真空系统中实现准确的压强监测功能。


本产品专为真空泵排气法兰设计,拦截油雾与油气,有效防止污染物外排。结构紧凑,安装简便,可直接适配标准排气接口。通过过滤实现洁净排气,为客户带来无油雾、无异味的工作环境,保护设备与现场清洁,提升生产与实验环境舒适度,是真空系统环保配套的实用配件。
联系我们
黄先生15880223078微信同号
QQ:416643690
邮箱:mike@xiamenbest.com
公司网址:www. xmtaixing.com
欢迎随时联系我们,我们将竭诚为您服务!
厦门太星机电有限公司,您值得信赖的真空设备解决方案专家!
产品展示
- 低温真空泵
- 不锈钢真空箱
- 螺杆真空泵
- 扩散泵
- 单级真空泵
- 双级真空泵
- 氦质谱检漏仪
- 水环式真空泵
- 分子泵
- 真空泵叶片
- 真空泵滤芯
- 真空泵油
- 里其乐真空泵维修
- 爱发科真空泵维修
- 莱宝真空泵维修
- 贝克真空泵维修
- 普旭真空维修
- 意大利PVR真空泵维修
- 爱德华真空泵维修
- 安捷伦真空泵维修
- 中科科仪分子泵维修
- 进口分子泵维修
- 镀膜机搬迁
- 冷冻式干燥机维修
- 滑阀式真空泵维修
- 隔膜泵维修
- 普发真空泵维修
- 电机维修
- 油扩散真空泵
- 真空阀门
- 鼓风机
- 真空管道
- 岛津分子泵非标维修配件
- 电离质谱仪
- 日本卡西亚玛真空泵
- 真空泵配件
- 国产真空泵维修保养
- 上海久信JOYSUN真空泵维修
- 英福康氦气检漏仪维修保养
- 干式无油抽气泵维修
- 泵组维修
- 卓捷直联旋片式真空维修
- 太星单级旋片真空泵维修
- 上海万经真空泵维修
- 荏原水冷干式真空泵维修
- 爱德华配件
- 里奇乐配件
- 空压机
- 真空泵系统
- 3D打印服务
- 推荐产品
- 罗茨泵
- 涡旋泵
产品展示
- 低温真空泵
- 不锈钢真空箱
- 螺杆真空泵
- 扩散泵
- 单级真空泵
- 双级真空泵
- 氦质谱检漏仪
- 水环式真空泵
- 分子泵
- 真空泵叶片
- 真空泵滤芯
- 真空泵油
- 里其乐真空泵维修
- 爱发科真空泵维修
- 莱宝真空泵维修
- 贝克真空泵维修
- 普旭真空维修
- 意大利PVR真空泵维修
- 爱德华真空泵维修
- 安捷伦真空泵维修
- 中科科仪分子泵维修
- 进口分子泵维修
- 镀膜机搬迁
- 冷冻式干燥机维修
- 滑阀式真空泵维修
- 隔膜泵维修
- 普发真空泵维修
- 电机维修
- 油扩散真空泵
- 真空阀门
- 鼓风机
- 真空管道
- 岛津分子泵非标维修配件
- 电离质谱仪
- 日本卡西亚玛真空泵
- 真空泵配件
- 国产真空泵维修保养
- 上海久信JOYSUN真空泵维修
- 英福康氦气检漏仪维修保养
- 干式无油抽气泵维修
- 泵组维修
- 卓捷直联旋片式真空维修
- 太星单级旋片真空泵维修
- 上海万经真空泵维修
- 荏原水冷干式真空泵维修
- 爱德华配件
- 里奇乐配件
- 空压机
- 真空泵系统
- 3D打印服务
- 推荐产品
- 罗茨泵
- 涡旋泵
