KF/KF 系列高真空手动挡板阀(手动角阀)
| 联系人: | 黄先生 |
|---|---|
| 手机: | 15880223078 |
| 邮箱: | mike@xiamenbest.com |
| 传真: | 0592-3778298 |
| 服务热线:: | 0592-6800154 |
| QQ:: | 416643690/2440274706 |
| 留言咨询 更多信息 | |
| 分享: |
|
摘要
KF 手动角阀采用精密铸造工艺,结构紧凑耐用,适配 KF 法兰标准接口,安装便捷密封性强。阀体材质坚固耐腐蚀,操作顺滑省力,开关定位清晰,可稳定控制真空管路通断。适用于实验室真空系统、真空泵机组、真空炉及各类真空设备,耐高低温、抗老化,长期使用不漏气,是真空管路中可靠的手动控制阀门,性价比高通用性强。
产品介绍
KF/KF 系列高真空手动挡板阀(手动角阀),采用 304 不锈钢材质精工打造,适配 KF 标准快装法兰,密封性能优异、气密性强。顶部黑色手作轻便,启闭顺畅,可控制真空管路通断。结构紧凑坚固,耐高低温、抗腐蚀,广泛用于实验室真空系统、真空泵机组、真空炉等设备,安装便捷、通用性强,是真空管路中可靠的手动控制配件。

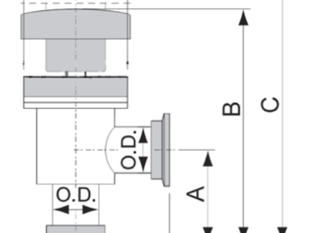
KF 系列高真空手动挡板阀(手动角阀)的结构尺寸图,对应实物为不锈钢真空手动角阀。图中标注了 A(法兰外径 / 安装尺寸)、B(阀体高度)、C(总高度)、D(手轮直径)及 O.D.(通径)等关键参数,用于选型与安装设计。该阀适配 KF 快装法兰,密封可靠、操作轻便,广泛用于真空管路通断控制,是真空系统的核心配件。



联系我们
黄先生15880223078微信同号
QQ:416643690
邮箱:mike@xiamenbest.com
公司网址:www. xmtaixing.com
欢迎随时联系我们,我们将竭诚为您服务!
厦门太星机电有限公司,您值得信赖的真空设备解决方案专家!
产品展示
- 低温真空泵
- 不锈钢真空箱
- 螺杆真空泵
- 扩散泵
- 单级真空泵
- 双级真空泵
- 氦质谱检漏仪
- 水环式真空泵
- 分子泵
- 真空泵叶片
- 真空泵滤芯
- 真空泵油
- 里其乐真空泵维修
- 爱发科真空泵维修
- 莱宝真空泵维修
- 贝克真空泵维修
- 普旭真空维修
- 意大利PVR真空泵维修
- 爱德华真空泵维修
- 安捷伦真空泵维修
- 中科科仪分子泵维修
- 进口分子泵维修
- 镀膜机搬迁
- 冷冻式干燥机维修
- 滑阀式真空泵维修
- 隔膜泵维修
- 普发真空泵维修
- 电机维修
- 油扩散真空泵
- 真空阀门
- 鼓风机
- 真空管道
- 岛津分子泵非标维修配件
- 电离质谱仪
- 日本卡西亚玛真空泵
- 真空泵配件
- 国产真空泵维修保养
- 上海久信JOYSUN真空泵维修
- 英福康氦气检漏仪维修保养
- 干式无油抽气泵维修
- 泵组维修
- 卓捷直联旋片式真空维修
- 太星单级旋片真空泵维修
- 上海万经真空泵维修
- 荏原水冷干式真空泵维修
- 爱德华配件
- 里奇乐配件
- 空压机
- 真空泵系统
- 3D打印服务
- 推荐产品
- 罗茨泵
- 涡旋泵
产品展示
- 低温真空泵
- 不锈钢真空箱
- 螺杆真空泵
- 扩散泵
- 单级真空泵
- 双级真空泵
- 氦质谱检漏仪
- 水环式真空泵
- 分子泵
- 真空泵叶片
- 真空泵滤芯
- 真空泵油
- 里其乐真空泵维修
- 爱发科真空泵维修
- 莱宝真空泵维修
- 贝克真空泵维修
- 普旭真空维修
- 意大利PVR真空泵维修
- 爱德华真空泵维修
- 安捷伦真空泵维修
- 中科科仪分子泵维修
- 进口分子泵维修
- 镀膜机搬迁
- 冷冻式干燥机维修
- 滑阀式真空泵维修
- 隔膜泵维修
- 普发真空泵维修
- 电机维修
- 油扩散真空泵
- 真空阀门
- 鼓风机
- 真空管道
- 岛津分子泵非标维修配件
- 电离质谱仪
- 日本卡西亚玛真空泵
- 真空泵配件
- 国产真空泵维修保养
- 上海久信JOYSUN真空泵维修
- 英福康氦气检漏仪维修保养
- 干式无油抽气泵维修
- 泵组维修
- 卓捷直联旋片式真空维修
- 太星单级旋片真空泵维修
- 上海万经真空泵维修
- 荏原水冷干式真空泵维修
- 爱德华配件
- 里奇乐配件
- 空压机
- 真空泵系统
- 3D打印服务
- 推荐产品
- 罗茨泵
- 涡旋泵
