普发真空(Pfeiffer Vacuum) A100L 多级罗茨真空泵
| 联系人: | 黄先生 |
|---|---|
| 手机: | 15880223078 |
| 邮箱: | mike@xiamenbest.com |
| 传真: | 0592-3778298 |
| 服务热线:: | 0592-6800154 |
| QQ:: | 416643690/2440274706 |
| 留言咨询 更多信息 | |
| 分享: |
|
摘要
普发真空 A100L 是紧凑型无油多级罗茨真空泵,抽速达 100m³/h,极限压力低至 6.6×10⁻³hPa,杜绝油污染。机身紧凑易集成,58dB (A) 低噪设计适配洁净车间。配备 16/19 针 I/O 接口,支持远程调控与状态监控,广泛用于半导体 Load-lock、光伏等洁净制程,稳定可靠。
产品介绍
普发真空(Pfeiffer Vacuum) A100L 多级罗茨真空泵。罗茨真空泵是一种无内缩的真空泵,通常在中真空范围工作,常被用于真空冶炼、真空干燥、化工、食品包装等行业,能够快速有效地抽取系统内的气体,达到所需的真空度 。

真空泵的抽速 - 入口压力特性曲线。
横坐标 “inlet pressure (hPa)” 表示真空泵的入口压力(单位:百帕),纵坐标 “Pumping speed (m³/h)” 表示真空泵的抽气速率(单位:立方米每小时)。该曲线展示了在 50Hz 频率下,随着入口压力的变化,真空泵抽气速率的变化情况,能帮助用户了解真空泵在不同入口压力工况下的抽气性能表现。

这是真空泵的抽气时间 - 入口压力特性曲线。
横坐标 “Time (sec)” 表示抽气时间(单位:秒),纵坐标 “Inlet pressure (hPa)” 表示真空泵的入口压力(单位:百帕)。该曲线展示了在 50Hz 频率下,对容积为 1000 升的腔室进行抽气时,随着抽气时间的增加,真空泵入口压力的变化情况,反映了真空泵对该腔室的抽气效果随时间的变化规律。

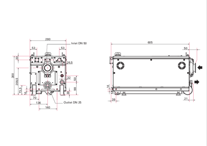
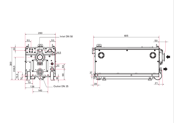
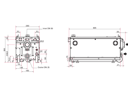
真空泵的外形尺寸图纸 。图中标注了该真空泵进气口(Inlet DN 50 )、出气口(Outlet DN 25 )的位置及规格, 还详细标明了真空泵各个方向的长、宽、高等尺寸数据。这些尺寸信息对于真空泵的安装、空间布局规划,以及与其他设备的对接等工作都具有重要的参考价值。

普发真空 A100L 多级罗茨真空泵
普发真空 A100L 是专为洁净制程打造的多级罗茨真空泵,采用无油干式设计,通过 5 级罗茨转子非接触运转,杜绝油污染风险,为真空环境提供干燥洁净保障。峰值抽速可达 100m³/h,极限压力低至 6.6×10⁻⁵mbar,能快速建立稳定真空环境。
设备机身紧凑,适配机台内直接安装,搭配水冷回路与低噪设计,适配无尘车间等精密场景。配备运行时间计与三色状态指示灯,16/19 针 I/O 接口支持远程调控,可选 RS232/485 串行接口实现智能监控。平均故障间隔超 19.5 万小时,广泛应用于半导体 Load-lock、光伏及分析仪器领域,是高效可靠的真空解决方案。
联系我们

黄先生15880223078微信同号
QQ:416643690
邮箱:mike@xiamenbest.com
公司网址:www. xmtaixing.com
欢迎随时联系我们,我们将竭诚为您服务!
厦门太星机电有限公司,您值得信赖的真空设备解决方案专家!
产品展示
- 低温真空泵
- 不锈钢真空箱
- 螺杆真空泵
- 扩散泵
- 单级真空泵
- 双级真空泵
- 氦质谱检漏仪
- 水环式真空泵
- 分子泵
- 真空泵叶片
- 真空泵滤芯
- 真空泵油
- 里其乐真空泵维修
- 爱发科真空泵维修
- 莱宝真空泵维修
- 贝克真空泵维修
- 普旭真空维修
- 意大利PVR真空泵维修
- 爱德华真空泵维修
- 安捷伦真空泵维修
- 中科科仪分子泵维修
- 进口分子泵维修
- 镀膜机搬迁
- 冷冻式干燥机维修
- 滑阀式真空泵维修
- 隔膜泵维修
- 普发真空泵维修
- 电机维修
- 油扩散真空泵
- 真空阀门
- 鼓风机
- 真空管道
- 岛津分子泵非标维修配件
- 电离质谱仪
- 日本卡西亚玛真空泵
- 真空泵配件
- 国产真空泵维修保养
- 上海久信JOYSUN真空泵维修
- 英福康氦气检漏仪维修保养
- 干式无油抽气泵维修
- 泵组维修
- 卓捷直联旋片式真空维修
- 太星单级旋片真空泵维修
- 上海万经真空泵维修
- 荏原水冷干式真空泵维修
- 爱德华配件
- 里奇乐配件
- 空压机
- 真空泵系统
- 3D打印服务
- 推荐产品
- 罗茨泵
- 涡旋泵
产品展示
- 低温真空泵
- 不锈钢真空箱
- 螺杆真空泵
- 扩散泵
- 单级真空泵
- 双级真空泵
- 氦质谱检漏仪
- 水环式真空泵
- 分子泵
- 真空泵叶片
- 真空泵滤芯
- 真空泵油
- 里其乐真空泵维修
- 爱发科真空泵维修
- 莱宝真空泵维修
- 贝克真空泵维修
- 普旭真空维修
- 意大利PVR真空泵维修
- 爱德华真空泵维修
- 安捷伦真空泵维修
- 中科科仪分子泵维修
- 进口分子泵维修
- 镀膜机搬迁
- 冷冻式干燥机维修
- 滑阀式真空泵维修
- 隔膜泵维修
- 普发真空泵维修
- 电机维修
- 油扩散真空泵
- 真空阀门
- 鼓风机
- 真空管道
- 岛津分子泵非标维修配件
- 电离质谱仪
- 日本卡西亚玛真空泵
- 真空泵配件
- 国产真空泵维修保养
- 上海久信JOYSUN真空泵维修
- 英福康氦气检漏仪维修保养
- 干式无油抽气泵维修
- 泵组维修
- 卓捷直联旋片式真空维修
- 太星单级旋片真空泵维修
- 上海万经真空泵维修
- 荏原水冷干式真空泵维修
- 爱德华配件
- 里奇乐配件
- 空压机
- 真空泵系统
- 3D打印服务
- 推荐产品
- 罗茨泵
- 涡旋泵
